NKG有源晶振,SCH3高速網絡晶振,SCH36B100.000MTS-EXT,7050mm,NKG振蕩器,石英晶體振蕩器,六腳有源振蕩器,OSC晶振,有源貼片晶振,有源晶體振蕩器,100MHZ有源晶振,7050mm微型晶振,尺寸7.0×5.0mm,頻率100MHZ,電壓3.3V,輸出LVCMOS,低抖動晶振,低相位晶振,低相噪晶振,低老化晶振,無線局域網晶振,高速網絡晶振.
NKG有源晶振,SCH3高速網絡晶振,SCH36B100.000MTS-EXT,7050mm特點:
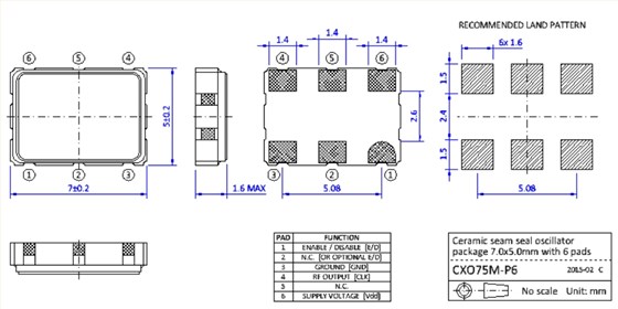
SMD有源晶振封裝尺寸7.0 x 5.0 x 1.6mm,帶6個焊盤。
頻率范圍100至250MHz
提供超低抖動和相位噪聲版本。
高度可靠的接縫密封包裝,低老化。
NKG有源晶振,SCH3高速網絡晶振,SCH36B100.000MTS-EXT,7050mm 參數表
| Parameter | Symbol | Parameter values ? limits | Parameter values ? limits | ||||||||||
| Feature / Model | — | Ultra Low Jitter & Phase Noise | Low Jitter & Phase Noise | ||||||||||
| Oscillator mode | — | Overtone circuit | Multiplier circuit | ||||||||||
| Nominal frequency | FN | 100.0MHz | 125.0 ~ 250.0MHz | ||||||||||
| Supply voltage | VDD | 2.5VDC?3.3VDC | 3.3VDC | ||||||||||
| Supply current consumption(Note 1) | IDD | <40mA | <60mA | ||||||||||
| Overall frequency stability(Note 2) | ?f/FN | ±20ppm,±25ppm,±50ppm,±100ppm | |||||||||||
| Operating temperature range | TOP | – 10°C ~ +70°Cor–40°C ~+85°C | |||||||||||
| Aging first year | (Δf/FN)y1 | ±3ppm | |||||||||||
| Output waveform ? load | — ? CL | LVCMOS ?15pF | |||||||||||
| Output voltage levels | VOH? VOL | ≥90%VDD?≤10%VDD | |||||||||||
| Rise and fall times | tRand tF | 1nsTYP, 2nsMAX | |||||||||||
| Output symmetry (duty cycle) | DC | 40/60%or45/55% | |||||||||||
| Phase jitter (12kHz≤Fj≤20MHz) | JRMS | 0.2ps TYP(for 155.520MHz) | 0.4ps TYP(for 155.520MHz) | ||||||||||
| Phase noise(Note 3) | ?(?f) | –70 / – 108 / – 134 / – 142 / – 143dBc | –62 / –95 / – 120 / – 125 / – 129dBc | ||||||||||
| Standby function (E/Don pin 1) | E/D | Pin1=High or open -> Output pin3 activePin1=Low -> Output pin3 high imped. | |||||||||||
| Power ramp up rate (VDDat 90%) | tPU | 0.1 ~ 100ms(monotonic ramp up) | |||||||||||
NKG有源晶振,SCH3高速網絡晶振,SCH36B100.000MTS-EXT,7050mm尺寸圖






SX3K系列晶振,FCD-Tech32.768K有源晶振,SX3K-18F50E-32.768KHz,3225mm,CMOS
NKG有源晶振,7050mm,SCO36B40.000MTS-EXT,SCO3系列,40MHZ
DSC8001BCE1-T,5032mm,CMOS振蕩器,Microchip有源晶振
DSC1018,DSC1018DI1-019.2000,19.2MHz,2520mm,Microchip有源晶振
EC2600TS-75.000M,EC26,7050mm,Ecliptek石英晶體振蕩器
C3291-24.000,Crystek四腳貼片晶振,24MHz,低相位噪聲晶振
ABDFTCXO-50.000MHZ-E-2-CT,Abracon晶體振蕩器,低功耗晶振
DSC1003DE1-048.0000T,2520mm,Microchip貼片晶振,監(jiān)控攝像頭晶振