86-0755-27838351

頻率:50MHz
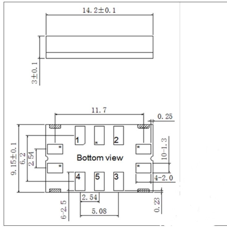
尺寸:14.0x9.0x3.0mm
ABDFTCXO-50.000MHZ-E-2-CT,Abracon晶體振蕩器,低功耗晶振,美國進口晶振,Abracon晶振,艾博康晶振,型號:ABDFTCXO系列,編碼為:ABDFTCXO-50.000MHZ-E-2-CT,頻率:50MHz,電壓:3.3V,頻率穩(wěn)定性:±280ppb,工作溫度范圍:-20℃至+70℃,LVCMOS輸出晶振,TCXO晶體振蕩器,小體積晶振尺寸:14.0x9.0x3.0mm封裝,10墊腳貼片晶振,石英晶振,有源晶振,石英晶體振蕩器。具有低抖動,低功耗,低耗能,低損耗,低電源電壓,低電平等特點。應用程序:通信晶振,網絡晶振,同步以太網晶振,IEEE1588,儀器晶振、測試和測量晶振,車載控制器晶振等應用。
•相位和頻率相干雙輸出
•F0和F0÷2,帶集成精密扇形輸出緩沖器
•滿足±280ppb地層III穩(wěn)定性要求
•卓越的±1ppm老化,±4.6ppm保證壽命精度
•提供5至52MHz標準和自定義頻率
•提供TCXO或VCTCXO功能
•最小拉力為±5ppm,典型線性度為0.5%(僅限VCTCXO)
•LVCMOS輸出有源晶振
•10針包裝
•-40°C至85°C操作
ABDFTCXO-50.000MHZ-E-2-CT,Abracon晶體振蕩器,低功耗晶振,參數表
品牌
Abracon晶振
型號
ABDFTCXO
物料編碼
ABDFTCXO-50.000MHZ-E-2-CT
頻率
50MHz
頻率穩(wěn)定性
±280ppb
類別
TCXO
輸出
LVCMOS
電源電壓
3.3V
工作溫度
-20℃ ~ 70℃
尺寸
14.0x9.0x3.0mm
ABDFTCXO-50.000MHZ-E-2-CT,Abracon晶體振蕩器,低功耗晶振,尺寸圖
| 進口貼片晶振 | 品牌 | 型號 | 長度 | 寬度 | 高度 |
| ABDFTCXO-10.000MHZ-E-2-CT | Abracon晶振 | ABDFTCXO | 14.2mm | 9.15mm | 3.1mm |
| ABDFTCXO-30.720MHZ-E-2-T2 | Abracon晶振 | ABDFTCXO | 14.2mm | 9.15mm | 3.1mm |
| ABDFTCXO-30.720MHZ-E-2-T5 | Abracon晶振 | ABDFTCXO | 14.2mm | 9.15mm | 3.1mm |
| ABDFTCXO-30.720MHZ-L-2-CT | Abracon晶振 | ABDFTCXO | 14.2mm | 9.15mm | 3.1mm |
| ABDFTCXO-30.720MHZ-L-2-T2 | Abracon晶振 | ABDFTCXO | 14.2mm | 9.15mm | 3.1mm |
| ABDFTCXO-30.720MHZ-L-2-T5 | Abracon晶振 | ABDFTCXO | 14.2mm | 9.15mm | 3.1mm |
| ABDFTCXO-38.400MHZ-E-2-CT | Abracon晶振 | ABDFTCXO | 14.2mm | 9.15mm | 3.1mm |
| ABDFTCXO-38.400MHZ-E-2-T2 | Abracon晶振 | ABDFTCXO | 14.2mm | 9.15mm | 3.1mm |
| ABDFTCXO-38.400MHZ-E-2-T5 | Abracon晶振 | ABDFTCXO | 14.2mm | 9.15mm | 3.1mm |
| ABDFTCXO-38.400MHZ-L-2-CT | Abracon晶振 | ABDFTCXO | 14.2mm | 9.15mm | 3.1mm |
| ABDFTCXO-38.400MHZ-L-2-T2 | Abracon晶振 | ABDFTCXO | 14.2mm | 9.15mm | 3.1mm |
| ABDFTCXO-38.400MHZ-L-2-T5 | Abracon晶振 | ABDFTCXO | 14.2mm | 9.15mm | 3.1mm |
| ABDFTCXO-38.880MHZ-E-2-CT | Abracon晶振 | ABDFTCXO | 14.2mm | 9.15mm | 3.1mm |
| ABDFTCXO-38.880MHZ-E-2-T2 | Abracon晶振 | ABDFTCXO | 14.2mm | 9.15mm | 3.1mm |
| ABDFTCXO-38.880MHZ-E-2-T5 | Abracon晶振 | ABDFTCXO | 14.2mm | 9.15mm | 3.1mm |
| ABDFTCXO-38.880MHZ-L-2-CT | 石英晶振 | ABDFTCXO | 14.2mm | 9.15mm | 3.1mm |
| ABDFTCXO-38.880MHZ-L-2-T2 | Abracon晶振 | ABDFTCXO | 14.2mm | 9.15mm | 3.1mm |
| ABDFTCXO-38.880MHZ-L-2-T5 | Abracon晶振 | ABDFTCXO | 14.2mm | 9.15mm | 3.1mm |
| ABDFTCXO-40.000MHZ-E-2-CT | Abracon晶振 | ABDFTCXO | 14.2mm | 9.15mm | 3.1mm |
| ABDFTCXO-40.000MHZ-E-2-T2 | Abracon晶振 | ABDFTCXO | 14.2mm | 9.15mm | 3.1mm |
| ABDFTCXO-40.000MHZ-E-2-T5 | Abracon晶振 | ABDFTCXO | 14.2mm | 9.15mm | 3.1mm |
| ABDFTCXO-40.000MHZ-L-2-CT | Abracon晶振 | ABDFTCXO | 14.2mm | 9.15mm | 3.1mm |
| ABDFTCXO-40.000MHZ-L-2-T2 | Abracon晶振 | ABDFTCXO | 14.2mm | 9.15mm | 3.1mm |
| ABDFTCXO-40.000MHZ-L-2-T5 | Abracon晶振 | ABDFTCXO | 14.2mm | 9.15mm | 3.1mm |
| ABDFTCXO-50.000MHZ-E-2-CT | Abracon晶振 | ABDFTCXO | 14.2mm | 9.15mm | 3.1mm |
| ABDFTCXO-50.000MHZ-E-2-T2 | Abracon晶振 | ABDFTCXO | 14.2mm | 9.15mm | 3.1mm |
| ABDFTCXO-50.000MHZ-E-2-T5 | Abracon晶振 | ABDFTCXO | 14.2mm | 9.15mm | 3.1mm |
| ABDFTCXO-50.000MHZ-L-2-CT | Abracon晶振 | ABDFTCXO | 14.2mm | 9.15mm | 3.1mm |
| ABDFTCXO-50.000MHZ-L-2-T2 | Abracon晶振 | ABDFTCXO | 14.2mm | 9.15mm | 3.1mm |
| ABDFTCXO-50.000MHZ-L-2-T5 | Abracon晶振 | ABDFTCXO | 14.2mm | 9.15mm | 3.1mm |
| ABDFTCXO-52.000MHZ-E-2-CT | Abracon晶振 | ABDFTCXO | 14.2mm | 9.15mm | 3.1mm |
| ABDFTCXO-52.000MHZ-E-2-T2 | Abracon晶振 | ABDFTCXO | 14.2mm | 9.15mm | 3.1mm |
| ABDFTCXO-52.000MHZ-E-2-T5 | Abracon晶振 | ABDFTCXO | 14.2mm | 9.15mm | 3.1mm |
| ABDFTCXO-52.000MHZ-L-2-CT | Abracon晶振 | ABDFTCXO | 14.2mm | 9.15mm | 3.1mm |
| ABDFTCXO-52.000MHZ-L-2-T2 | Abracon晶振 | ABDFTCXO | 14.2mm | 9.15mm | 3.1mm |
| ABDFTCXO-52.000MHZ-L-2-T5 | Abracon晶振 | ABDFTCXO | 14.2mm | 9.15mm | 3.1mm |



電話:+86-0755-278383514
手機:138-2330-0879
QQ:632862232
地址:廣東深圳市寶安寶安大道東95號浙商銀行大廈1905